沈阳科贝得电机集团有限公司电机生产及电机配件销售为一体的综合性制造企业

咨询热线:18502492272 王经理 客服电话:13080821407(微信同步)

产品

热门关键词: YPTKK YE4高效 YZR,Y Y2VP系

您的位置:首页 > 主营产品 > YCT电磁调速电 ...

咨询热线

18502492272 王经理
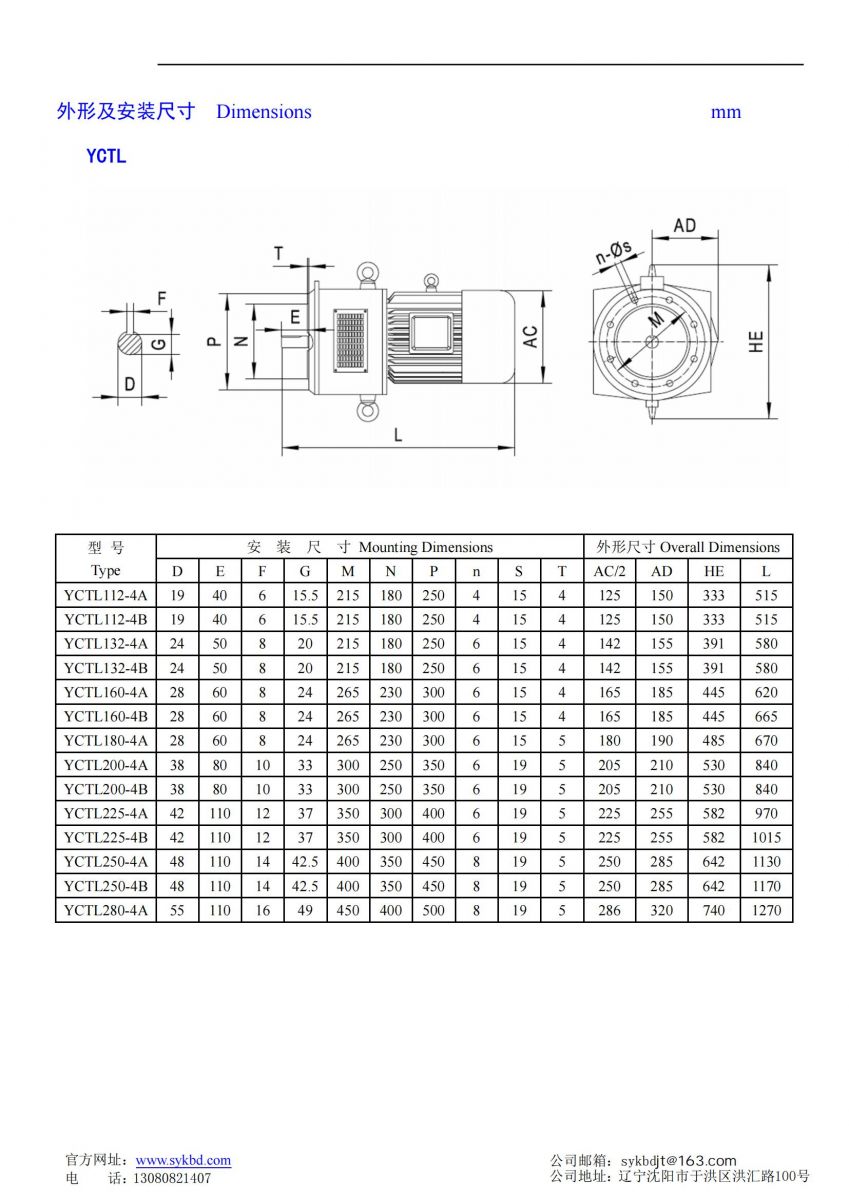
  • YCT电磁调速电机

YCT电磁调速电机


特点:恒转矩无级调速、结构简单、操作维修方便、运行可靠。Features: Stepless adjustable speed with constant torque. Ease to operation. 使用条件:海拔不超过1000m;环境空气温度随季节而变化,但最高不超过40℃。少尘、无铁磁性物质尘埃、无腐蚀金属破坏绝缘和爆炸性的气体
产品简介 / Introduction
YCT(卧式)/ YCTL(立式)系列电磁调速电动机是机械工业部组织的Y系列异步电动机的主要派生系列。电磁调速电动机由拖动电机(Y系列电动机)、电磁转差离合器和控制器三部份组成,可用于恒转距负载场合,特别适宜在递减转矩负载中使用(例如离心式水泵和风机),有较明显的节能效果。YCT/ YCTL系列电磁调速电动机能在规定的调速范围内均匀地、连续地无级调速、并能输出额定转矩,电机在运行中当负载转矩变动时可通过控制器的速度负反馈系统自动调节离合器的励磁电流,使输出转速基本上保持不变。本系列电机有全国统一的技术条件,并且外形安装尺寸、拖动电机及其它易损件全国各地生产厂均为统一,可以互换。



油式模温机应用



热品推荐 / Hot product