沈阳科贝得电机集团有限公司电机生产及电机配件销售为一体的综合性制造企业

咨询热线:18502492272 王经理 客服电话:13080821407(微信同步)

产品

热门关键词: YPTKK YE4高效 YZR,Y Y2VP系

您的位置:首页 > 主营产品 > YFB3粉尘防爆 ...

咨询热线

18502492272 王经理
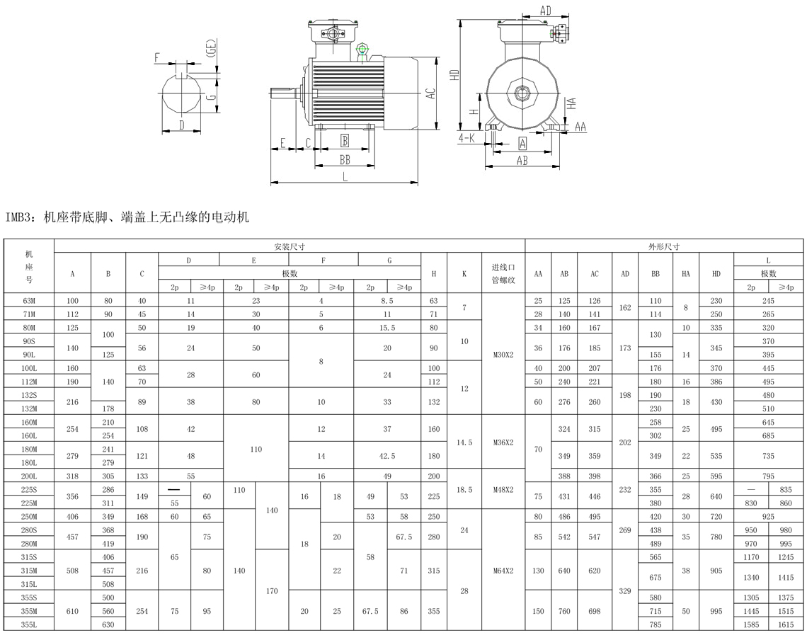
  • YFB3系列粉尘防爆电机

YFB3系列粉尘防爆电机


产品简介 / Introduction
在工业生产过程中常常会产生许多固体的可燃性粉尘,除煤炭(煤,活性炭)外,还有金属加工(铝,镁,钛等),农副产品加工(面粉,可可,棉尘,亚麻,纤维),化工原料,合成材料(塑料,树脂,燃料等),化学药品(乙酸钠脂,阿司匹林,硬脂酸锌等),这些行业和部门的电力拖动都需要粉尘防爆电机。YFB3系列粉尘防爆型三相异步电动机(一下简称电动机)为鼠笼式三相异步电动机,电动机的防爆性能符合GB12476.1-2013《可燃性粉尘环境用电气设备 第1部分:通用要求》和GB12476.5-2013《可燃性粉尘环境用电气设备 第5部分:外壳保护性"tD"》,电动机的电气性能符合 Q/320205BABD21-2014《YFB3系列粉尘防爆型三相异步电动机技术条件(机座号63-355)》的规定。外壳防护等级分为两种:防尘型为IP55,尘密型为IP65.防爆标志为ExtD A21 IP65 T130℃,ExtD A22 IP55 T130℃,ExtD B21 IP65 T130℃, ExtD B22 IP55 T130℃








油式模温机应用



热品推荐 / Hot product